シェア
Tweet
2012年9月13日

 本日MonotaROからやっと(5日も掛かりました)ナベボルトが到着しました。

 ステンレス製です。

 このMaxjax Portable Lift受け台本体の正方形の天板部分を、上のスギヤスBishamonのゴムパッドが装着出来るように、整形改造する必要があるわけですが。


 昨日、丁度基礎工事でお世話になった職人のYさんに誰か鉄工所の知り合いを紹介して欲しいと依頼したところ、飛び込みで加工をお願い出来る鉄工所を紹介して下さいました。

 早速アポイントを取っていただいたところ、本日加工する受け台本体を持参することになりました。
2012年9月6日

 Dannmar Maxjax Portable Lift を購入した当時から懸案だった、このリフトアームに付属している専用受け台の問題を解決する方法を見つけましたので、本日早速実行に移しました。
 裏から見ると、若干ボルトが短めで面イチにするには、ボルト長を14oにすれば良かったのでしょうが、これでも特に問題は無いと思います。



 以上これで、Dannmar Potable Lift 受け台の改造は終了し、問題は全てクリアーになりました。
 
 早速受け台にゴムパッドを取り付けました。

 当たり前ですが、何の問題も無く4個とも合体が完了しました。



 ゴムパッドのボルト沈頭部分の穴径と、ボルトのなべ頭の直径も、14oであることはボルトを注文した際にちゃんとチェックしましたので、ご覧のようにピッタリです。
2012年9月11日

 塗装を一晩乾燥させた状態の受け台本体です。

 これで当分の間、錆の心配は無くなりました。


 後は、注文してあるM8のナベボルトが届いたら、ゴムパッドを固定して完成です。

 塗装作業を実施する前に、受け台のリフトアームに取り付けるための差し込み(円柱)部分をガムテープでマスキングしてから、パーツクリーナーで受け台に付着した油分を簡単に洗浄しました。

 なぜならば、リフトアームに取り付ける際に受け台の差し込み部分に塗装してあっても、すぐに剥がれてしまいます。

 また塗装が必要な部分には、塗料の付きが良くなるように最低限の配慮をしました。
 但し、このまま使用するとなれば、当然錆の心配がありますので塗装することにしました。

 鉄工所の帰りにホームセンターに立ち寄って、アクリル塗料のスプレー缶を格安(198円)で購入しました。


 この塗装は、取りあえず無垢のスチールが剥き出しにならぬよう、塗膜による防錆が主な目的ですから、仕上がりや塗装ムラなどは端から全く気にしません。

 そんな訳で、やや強い風が吹く中を屋外に於いて、かなり乱暴で雑な塗装作業を強行しました。
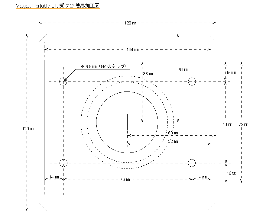
 肝心の加工はというと、ゴムパッドを直接合わせて確認しましたところ、サイズも見事に図面通りで、ねじ穴の位置も寸分の狂いもなくピタリと一致しました。

 また見栄えはと言うと、面取りやヤスリがけなど細部の仕上がりはやや雑ですが、このパーツの用途を考えればこれで充分だと思いました。
2012年9月10日

 本日加工を依頼した鉄工所に、出来上がった受け台本体を取りに行ってきました。


 出来上がりを見せて頂いてスグに気がついたのは、特に依頼してないのに、M8のねじ山も切ってあったことでした。

 とは言っても、図面にはちゃんと表示してありましたので、業者さんとしては当然のことかもしれません。

 しかし、これでDIYするつもりで先に購入した、タップとタップレンチが完全にムダになってしまいました。(笑)
 
 ちょっとお値段は張りますが、ゴムの一体成形は品質がとても高く信頼性は抜群です。

 直接車体に接触する唯一のパーツですので、やはり品質の確かなものを用いるのが最善であると考えました。
 やはりなんと言っても国産車の受け台は、この切れ込みの入ったゴムパッドが最適だと思います。
 裏側の縁リブの厚さは、上のサクラツールの画像では3oとなっていましたが、実際には2oもない程でした。

 週明けの火曜日に出来上がると聞いていましたので、外形の寸法を1o外側に広げられないか、早速本日9日に鉄工所にお電話して、図面の寸法の修正を依頼しようとしましたが、残念ながら既に現物加工を実施した後で、仕上げの作業が残っているだけとお聞きして諦めました。

 結局、修正は出来なかったのですが、この件は大したことではありません。

 そしてこの時、明日10日の午後3時半〜4時には確実に仕上がっているとお聞きしましたので、午後4時に受け台を引き取りに行くと約束をしました。

2012年9月8日

 本日サクラツールより、一昨日注文したスギヤスBishamon シリーズ リフト専用受け台ゴムパッドが届きました。

 かなり硬質のゴムです。


 早速、ねじ穴の留めしろの厚さを測ったところ約4o厚なので、本日MonotROにステンレス製なべボルト、M8×12o(ピッチ1.25o)を注文しました。
拡大する
 そして、鉄工所からの帰宅途中に、自宅の近所のカーマホームセンターに立ち寄って、M8のタップとタップレンチを購入してきました。


 また、タップレンチは以前に購入してあったはずですが、何分昔の工具はほとんど現在家内の実家に預けていますので、探すのが大変なので… 

 ついでに鉄工所で加工してもらえば?と言われそうですが、この程度はDIYしたいので…
 鉄工所に到着するとすぐに社長さんにお会いしました。

 加工について簡単に説明した後パーツを手渡しました。

 見積もりは追って伝えるということ、加工には2、3日必要だということを伺って、パーツを預けて鉄工所を後にしました


 その後、Yさんから電話で見積もりをお聞きしたところ、1個につき2,000円ということでした。

 ちょっと高いかな?とも思いましたが、もう預けてしまったこともありましたのでOKしました。

 週明けの火曜日には出来上がるそうです。
 
 その後、受け台本体4個を丁度いい大きさの容器に入れて、それと図面を持って、紹介して頂いた鉄工所に向かいました。
 また、口頭で加工の説明をするには少し内容が複雑ですし、伝達ミスの危険性もありますので、しっかりと加工内容を伝えるためには、図面をお渡しした方が確実だと考えました。

 そこで家を出る前に、急遽このように簡単な図面を作成しました。
 幸いこのようにゴムパッドの正確な寸法を、サクラツールのHPで見つけました。

 この寸法を参考にして、Maxjax Potable Lift の受け台本体を、このゴムパッドが装着出来るように加工することにしました。


 ここには記載がありませんが、このゴムパッドを受け台本体に固定するためのボルトは、M8のナベボルトであることも判りました。


尚、本日このゴムパッドをサクラツールに注文しました。
 そこでこの業界では国内最大手のスギヤスBishamon シリーズ リフト純正パーツである、受け台ゴムパッドをそのまま使用することを思いつきました。

 つまりこのゴムパッドを、Maxjax Portable Lift の受け台本体にしっかり固定出来ないかと考えたわけです。
 その問題というのは、このようにパッドが平面だと、日本車のジャッキアップポイントの形状に合いません。

 つまりサイドシル下面のリブが当たってしまうので、この受け台では車両を安全に持ち上げることが出来ません。

 場合によっては車両を破損する恐れもあります。