これでMyガレージの新な目玉アイテムがまたひとつ加わりました。

 さぁこのガレージで私が煎れるコーヒーを最初に味わうのは一体どなたでしょうね?♪


 さて、このシンクのエリアには、この後もう一つ魅力的なアイテムを計画中です。

 どうぞお楽しみに。















 
2021年12月9日

 昨年の暮れからこの棚箱製作の具体的な取り組みを始めました。

 まずはイメージを形にするため、簡単な見取り図を作成しました。

 第2案というのは、第1案があったからです。

 第1案と第2案の違いというのは、真ん中にある固定棚板の高さが第1案よりも第2案のほうが35㎜下げた位置にあり、はめ込みガラス棚が付いた程度です。

 棚箱全体の幅が389㎜という、かなり細かい数字になっていますのは、この棚箱を取り付ける流し台前の壁に突き出た柱(向かって左側)と間柱(向かって右側)の間に挟み込んで取り付けるため、その間隔の実測値だからです。

 又、天板に当たる最上部の板だけが、何故か棚箱背面より後方に向かって45㎜も余分に突き出ているのがお判りになると思いますが、これは実際に柱と間柱の間に棚箱を嵌め込んだとき、石膏ボードの壁に沿って45㎜厚の筋交いが、丁度棚箱の裏側に通っているためです。

 つまりやむを得ず壁際より棚箱の裏板を45㎜控えて固定することになるため、天板が後方に向かって45㎜突き出ていないと、実際に設置したとき棚箱と壁の間に45㎜の隙間が生じてしまうことになるからです。

 棚にもなる天板の奥に45㎜もの隙間があるというのはとても容認出来ません。

 またこの棚箱の全体のフォルムをご覧になって、最下段の棚板だけ極端に奥行き(65㎜)の少ない、独特の形になっていることにお気づきだと思います。

 これは決して奇をてらったものではなく、実際に流し台前面の化粧壁の直上に棚箱を設置した際、最下段の棚板が大きく突き出していると、蛇口を操作するときに邪魔になると考えた結果この形がベストであると判断しました。


 そして、2枚目の「流し台上部作り付け棚箱の精密棚板固定位置図」という仰々しいタイトルの図面ですが、これは棚板の側板に当たる、200㎜×600㎜の板の表と裏に穴開け加工を施すときに、正確な寸法を基にしていないと安心出来ませんので、指示書と云うか覚え書きとして作成しました。

 どちらの図面も実際に板の掘削作業のときには、常に傍らに置いて確認しながら作業を進めました。

 実際の作業場面でこの図面が無かったら、たぶん勘違いやミスを連発することになったでしょう。

 そのくらい作業現場では重宝しました。
 因みに上のAmazonの販売ページに添付されておりました2枚の図面と、1枚の部品名一覧を頼りに、上に紹介しましたオーダーガラスの加工図を作成しました。

 またこのガラス蝶番の棚箱への取り付け位置についても、棚箱の見取り図を参考にして最適な位置を割り出しています。

 何分にもこれらの3つのオリジナル画像は、あまりにもサイズが小さく見間違いなどがあっては大変ですので、キャプチャー画像をPhotoshopにて加工・最適化を行い、画像拡大も出来るようにPDF化しています。

 当然のことながら、見やすさも含めてオリジナル画像とは比較にならないほどしっかりした加工を施しています。

 そしてそれらを入念にチェックした上で、満を持して本製品を注文しましたことをここに申し添えておきます。

 
2021年12月20日

 上記以外にも購入しましたものはまだあります。

 この日に到着しました。
2021年12月11日

 食器棚と云うからには、やはり扉は必要だろうということで、上の2段には扉を着けることにしました。

 またその扉は、ディスプレイとしても外から内容が見えるように、ガラス製が良いだろうと判断しました。

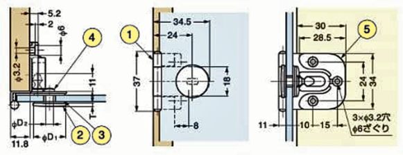
 そこで穴開け加工を施した4㎜厚の強化ガラスを注文するために、左の図面を作成しました。

 またこれとは別に、取っ手用のφ5㎜の穴もこの図の対辺の真ん中に、縁から25㎜控えた位置に穿つよう注文の際には追加指示をしています。

 因みに左の図面の下に書き込んでいます、スガツネ工業 キャッチ付 ガラス蝶番 かぶせ扉用 GHC34-8Bというのは、棚箱に使用するヒンジのことですが、この次の項で詳しく説明しています。
 折角ブラックカラーですから、ネジも全てブラックが良いです。
 こうして見てもニッケルめっきのこのビスでは、統一感に欠けますよね。
 丁寧に梱包されています。
2021年11月30日

 そして注文した日からおよそ一週間経ったこの日に、漸くスガツネ工業 キャッチ付 ガラス蝶番 かぶせ扉用 GHC34-8Bが届きました。

 このスガツネ工業株式会社という企業は、家具金物や建築金物、産業機器用 機構部品を製造販売している創業1930年という老舗メーカーです。

 私は過去にもこんなスガツネの製品を購入していました。
2021年11月26日

 木材通販のIPC DIY Lab.(DIYラボ)という通販サイトに11月22日に注文しておりました、アカシヤ集成材(板厚15㎜)のオーダー板材が本日到着しました。

 上記の図面の作成日よりもずいぶん前に注文していますが、これは第1案を基に注文しているからで、実際には第2案でも中央の棚板の高さが変わっているだけですので、各板材の寸法はまったく問題ありません。
㊷流し台前壁造付け食器棚 製作設置
シェア
BACK
Tweet
ウェブ アニメーター
 さらに画像こそありませんが、特にここで紹介しておきたい大切なパーツ類がありますので、購入しましたAmazonの商品販売ページのスクショを掲載しておきます。

 まずはこのアルミ合金製の扉用取っ手です。

 自作食器棚の4㎜厚強化ガラス扉の裏からφ5㎜穴を通して4Mビスで取り付けます。

 シンプルなデザインが好みでしたし、ヒンジのブラックカラーにもちゃんとコーディネートしています。
 続きましてはこの一般的な差し込み式の棚ダボです。

 追加棚板用として購入しました。

 但し当分追加棚を使用することはありませんので、差し込み部はφ3㎜という小径のものを選びました。

 要するにダボ穴を極力目立たなくするためです。

 こうして実に様々なツールやパーツ類をしっかりと事前に準備しまして、来たるべき食器棚製作に備えました。
 因みにビスは後日Amazonにて購入しました、
(SCM435)/酸化鉄被膜 [極低頭] 極薄ローヘッド キャップ (全ねじ) M3×6に取り替えました。

 何故かって?

 もちろん見た目のスマートさを最優先したからです。
 オプションの特殊加工で穿っていただいたヒンジ装着用のφ10㎜のひとつです。
 早速梱包を解くと、そこにはオーダー通りの穴が開けられた強化ガラス扉がありました。
2022年1月20日

 注文しましたのが暮れも押し迫った12月でしたので、結局年が明けまして本日、オーダーガラス板.COMに注文しておりました荷物が到着しました。
TOP
ウェブ アニメーター
㊸流し台コーナー造付けオーダー棚 設置
⑯業務用シンク設置と給排水設備
㉙シンク脇平棚の設置
 スガツネ工業 キャッチ付 ガラス蝶番 かぶせ扉用 GHC34-8B 2セットです。

 パーツの内訳は、上から順に
 ・塩化ビニル樹脂(PVC/クリア)製ワッシャー
 ・アルミニウム合金製黒色アルマイト処理化粧プレート
 ・プレート取り付けネジ(鋼製/ニッケルめっき)
 ・ステンレス鋼(SUS304)製本体(焼き付け塗装/ブラック)
 ・ポリアセタール(POM/ブラック)製ストッパー
 以上です。
 
 続いて紹介しますのは、強化ガラスの棚用サポートペグです。

 シリコン樹脂製のサクションカップ付きですので、ガラス表面に傷が付きにくく同時にガラス棚のズレ防止も兼ね備えています。

 デザインもとても気に入っています。 
 そして今回の流し台前壁に食器棚を設置しようと強く思いましたのは、覚えておいでの方もいらっしゃるかも知れませんが…

 2021年11月17日にこのMICHELIN vinyl Bannerを掲示しました際に、それまでシンク前面の壁に掛かっておりましたSUBARUディーラー店舗用掛け軸型広告を、右の南側の壁に移動しました。

 そのときにシンク前面の壁スペースがポッカリと空いてしまいまして、このときから是非このスペースに棚箱を設置しようと心に決めたのです。
2022年3月11日~12日

 そして奇しくも11年前にあの311の大惨事が起こってしまいましたこの日に、ようやく流し台前壁造付け食器棚の製作と設置に漕ぎ着けました。

 これはその作業のほぼ全記録を1本の動画としてまとめましたアールエーアール鈴鹿の動画第3弾です。

 動画全体の尺が1時間35分45秒ととても長く、もっと縮められなかったのかとお叱りを受けそうですが、全録画収録時間が7時間24分という長大な長さを考えれば、致し方無いこととご理解下さい。
 棚箱の最上段に設置するガラス棚です。

 扉と同様オーダーガラス板.COMに注文していました、4㎜厚の強化ガラス板です。

 サイズは棚箱の棚板と同じ奥行き200㎜ですが、幅は棚板より1㎜短い358㎜でオーダーしました。


 そして特に画像はありませんが、追加棚用として15㎜×358㎜×199㎜のアカシヤ集成材板1枚を、木材通販のIPC DIY Lab.(DIYラボ)に2022年2月6日に発注しました。
 中でもこのコーナークランプは食器棚製作には絶対に欠かすことの出来ないツールです。

 Amazonで2セット購入しました。
 上記以外にも様々なネジ類やパーツ、食器棚製作に必要な工具類など、徹底的に揃えて来たるべき作業に備えました。

 例えば、先の卓上小型ボール盤を購入しましたのも、作業台を自作したり、改良したりしましたのも、とどのつまりこの食器棚を製作するための準備であったと云うわけです。
2021年11月23日

 まず最初に裁断済みの板材を組み合わせて木ネジで固定しただけの単純な組み立て構造の棚箱に、出来る限り無加工で装着出来そうなガラス扉なら、かぶせ扉がもっとも実用的だと考えました。

 かぶせ式のガラス扉用ヒンジを探しましたら、このスガツネ工業のヒンジが最適だと判断しまして早速この日に注文しました。
 いずれにしましても、私としましては細心の注意を払ってオーダーしましたが、間違いが無かったのかどうかは実際に棚箱を製作してそこに装着してみないことには何とも言えません。笑

 兎に角その日が訪れるまで大切に保管したいと思います。
 こちらは取っ手装着用のφ5㎜穴です。

 これも購入しましたアルミ合金製の取っ手の取り付けネジ径(M4)から位置と直径を指定しました。
 こちらがもう一つのヒンジ装着用のφ10㎜穴です。

 当然のことですが、これらのヒンジ取り付け用の穴はその位置も含めまして、用意するヒンジの装着条件を念入りに確認した上でオーダーしています。
 これが棚箱用の板材一式です。

 今回何故パインや檜の集成材にしなかったのかと申しますと、板厚が15㎜と厚みがありませんので、パインや檜よりも硬いアカシヤにしましたのが、その理由の一点です。

 また主に食器棚として使用する予定ですので、ガレージ内の他の木材とは違った風合いにしたかったというのがもうひとつの理由です。
 板材の端切れもまとめて同梱されています。